ARTICOLI
TECNICI
INDUSTRIALI
CENTRO DISTRIBUZIONE
C.B.S Cuscinetti
CUSCINETTI VOLVENTI
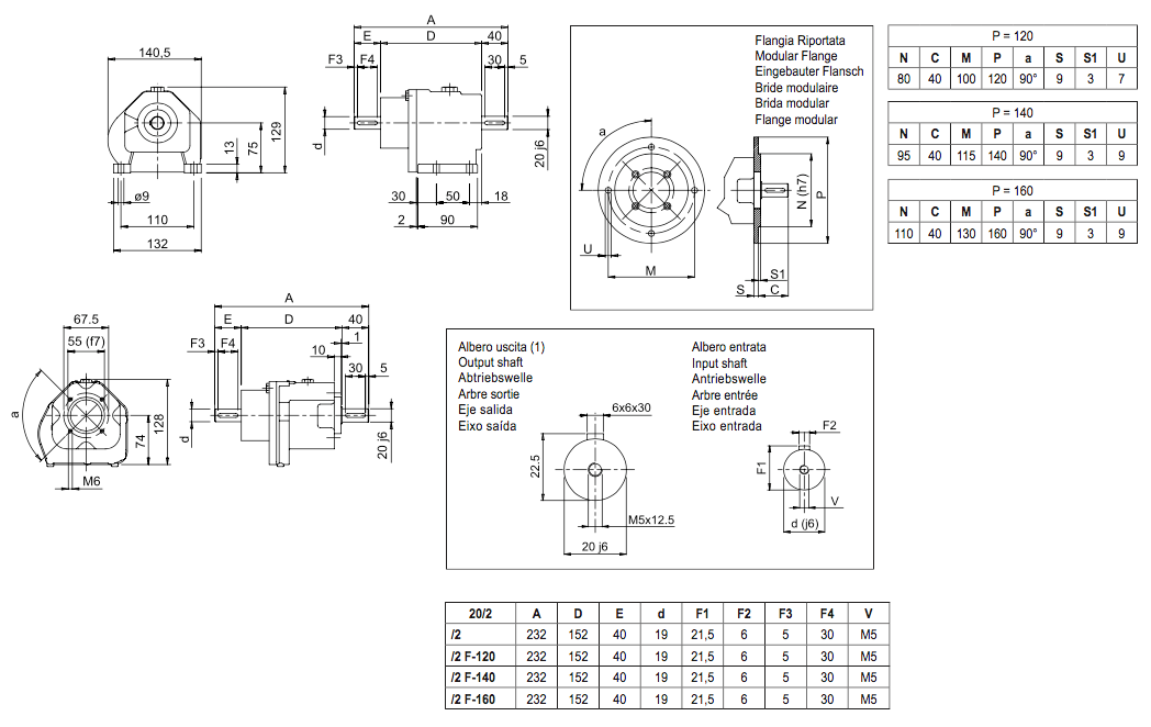
Distinta base riduttore SITI 60070469
Riduttore coassiale HLF20/2/5.13 PRED. FLANGIA
Realizzabili: 6 / ( componenti alternativi disponibili )
Distinta base componenti
50098551SET USCITA PIEDE HL20 PREDISPOSTO FLANGIA 15
50079029SET PRIMA RID. R1/5.1 HL20/2 6
50081161SET ENTR. MASCHIO HL20/2 17
Disegni tecnici e quote